PART NO. SPL.PAGE DESCRIPTION
AHH5532 15.R.43 Cold air kit assembly -(cold air, optional, 1500)
AHH5532 16.R.46 Cold air kit -(cold air, optional, 1600 and 1600-MK-II)

AHH5532 Fresh Air Ventilation System for MGA 1500, 1600, 1600-MK-II, and the "Deluxe" cars (not Twin Cam). Includes the following parts:
PART NO. SPL.PAGE DESCRIPTION
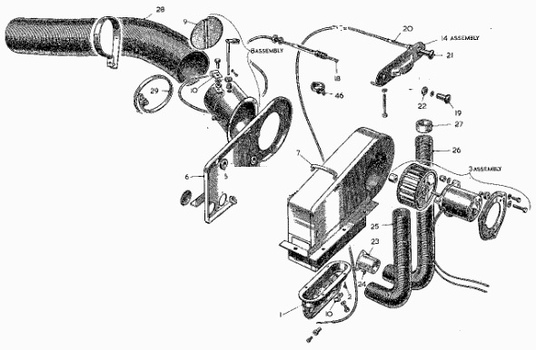
AHH5537 15.R.42 Case assembly -(cold air, optional, 1500)
AHH5537 16.R.45 Case assembly -(cold air, optional, 1600)
AHH5910 15.R.43 Switch and knob -(cold air kit, 1500)
AHH5910 16.R.46 Switch and knob -(cold air, 1600 and 1600-MK-II)
14G6451 15.R.43 Trunion -(cold air kit, 1500)
14G6451 16.R.46 Trunion -(cold air, 1600 and 1600-MK-II)
AHH5430 15.R.43 Air hose -4" x 31" -(cold air kit, 1500)
AHH5430 16.R.46 Air hose -4" x 31" -(cold air, 1600 and 1600-MK-II)
14G800 15.R.43 Clip (1 only) - (4" hose clamp, cold air kit, 1500)
14G800 16.R.46 Clip (1 only) - (4" hose clamp, cold air, 1600 and 1600-MK-II)
AHH5714 15.R.43 Clip -large (2) -(for 4" hoses/duct, cold air kit, optional, 1500)
AHH5714 16.R.46 Clip (large) (2) -(air intake hose, cold air, 1600 and 1600-MK-II)
LWZ203 15.R.42 Washer (spring) (2) -(for clip screw, 4" hose/duct, cold air kit, 1500)
LWZ203 16.R.46 Washer -spring (2) -(clips for 4" hoses, cold air kit, 1600 and
1600-MK-II)
FNZ103 15.R.43 Nut (2) -(for screw for large air hose clip -(cold air kit,
optional, 1500)
FNZ103 16.R.46 Nut (2) -(clips for 4" hoses, cold air kit, 1600 and 1600-MK-II)
AHH5394 15.R.43 Air hose -(front 4", cold air kit, optional, 1500)
AHH5394 16.R.46 Air hose -(front 4", cold air kit, 1600 and 1600-MK-II)
AHH5750 15.R.43 Cable and knob assembly -air control -(cold air kit, 1500)
AHH5750 16.R.46 Cable and knob assembly -air control -(cold air kit, 1600 and
1600-MK-II)
AHH5911 15.R.43 Bracket push-pull control -(cold air kit, 1500)
AHH5911 16.R.46 Bracket push-pull control -(cold air kit, 1600 and 1600-MK-II)
AHH5912 15.R.43 Bracket -switch -(cold air kit, 1500)
AHH5912 16.R.46 Bracket -switch -(cold air kit, 1600 and 1600-MK-II)
17H1940 15.R.43 Screw fixing bracket (2) -(cold air kit, 1500)
17H1940 16.R.46 Screw fixing bracket (4) -(cold air kit, 1600 and 1600-MK-II)-
changed to PT603
The MGA fresh air ventilation kit is essentially a heater without any of the hot water handling parts (no heater core, water valve, water pipes and hoses).
More information at
HR1 - Heater Tech
AHH5422 -Heater Kit for pushrod cars
8G9037 - Heater kit for Twin Cam
8G9038 - Fresh Air Ventilation System for Twin Cam
|