PART NO. SPL.PAGE DESCRIPTION
8G9037 TC.R.53 Unit assembly -heater -(heat+vent equip, Twin Cam)

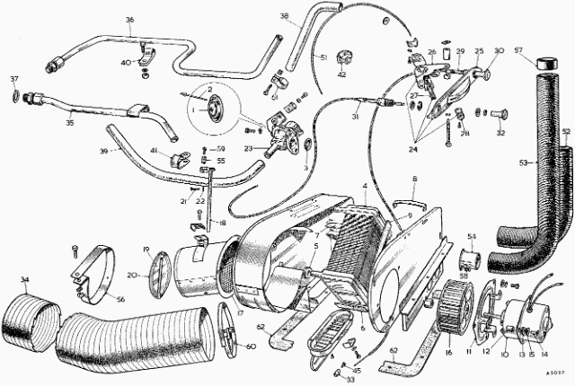
Heater Kit for Twin Cam
See Service Part List, Section.R (Body) for component parts and installation hardware.
The MGA Twin Cam heater is essentilly a left handed version of the MGA pushrod car heaer, with different water valve and water supply pipes and more durable air inlet hose. And the blower cage and motor spin in opposite direction.
More information at
HR1 - Heater Tech
AHH5422 -Heater Kit for pushrod cars
AHH5532 - Fresh Air Ventilation System for pushrod cars
8G9038 - Fresh Air Ventilation System for Twin Cam
|