PART NO. SPL.PAGE DESCRIPTION
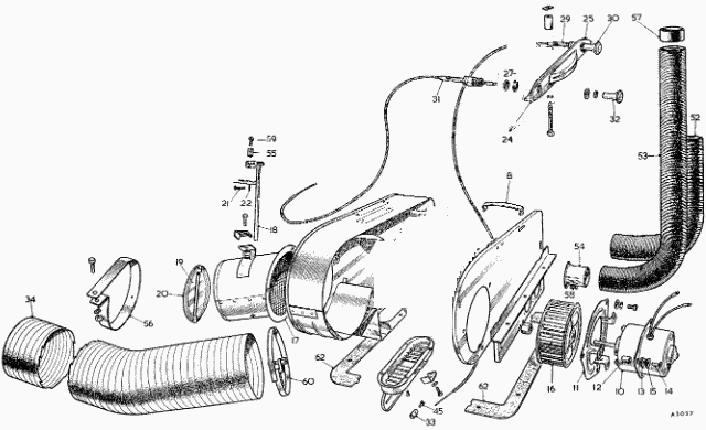
8G9038 TC.R.57 Fresh air kit assembly -(fresh air ventilation equipment, Twin Cam)

Fresh Air Ventilation Kit for Twin Cam
See Service Part List, Section.R (Body) for component parts and installation hardware.
The MGA Twin Cam fresh air ventilation kit is essentially a Twin Cam heater without any of the hot water handling parts (no heater core, water valve, water pipes and hoses).
More information at
HR1 - Heater Tech
AHH5422 for Heater Kit for pushrod cars
AHH5532 - Fresh Air Ventilation System for pushrod cars
8G9037 - Heater kit for Twin Cam
|