The MGA With An Attitude
MGAguru.com MGAguru.com
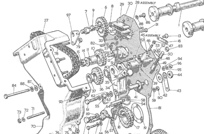
MGA Part Numbers - AEH375 and AEH376
PART NO.  SPL.PAGE  DESCRIPTION                                                                
AEH375     TC.A.9    Stud, camshaft sprocket support plate (4) -(case front timing,
    camshaft, engine, Twin Cam)
AEH376     TC.A.10   Plate -camshaft sprocket support (2) -(camshaft, engine, Twin Cam)
AEH411     TC.A.8    Sprocket for camshaft (2) -(camshaft, engine, Twin Cam)
AEH412     TC.A.8    Spindle for sprocket (2) -(camshaft, engine, Twin Cam)
AEH413     TC.A.8    Bolt for sprocket (4) -(camshaft, engine, Twin Cam)
FNN105    TC.A.9    Nut for stud (4) -(camshaft sprocket support plate, case front timing,
    camshaft, engine, Twin Cam)
AEH375 Stud is item #78 below (4). It carries the cam sprocket support plate #97, which in turn holds the spindle #7 when the sprocket is moved forward for adjusting cam timing (Twin Cam engine).

High strength stud
Length 1-1/4"
Top end thread = 5/16-24-UNF x 5/8" long
Bottom end thread = 15/16-18-UNC x 15/32" long

Notice these studs are cross drilled for safety wire. Also the FNN105 nut that goes on this stud (#79 belew) is specified as a standard flat nut, not a locking nut, and no lock washer.
MGA Twin Cam cam drive parts
HomeBackTopNext
Thank you for your comments -- Send e-mail to <Barney Gaylord>
© 2026 Barney Gaylord -- Copyright and reprint information