The MGA With An Attitude
TENSIONER for Timing Chain - TC-318
The factory introduced a change to the Twin Cam timing chain tensioner in response to failures. This change is mentioned in Confidential Service Memorandum MG 288. The passage there pertaining to the tensioner says:
"Chain tensioner - adjuster bolt stripping
The length of the thread in the housing has now been increased.
If the thread is slack or damaged, a new chain adjuster, Part No AEH27, should be fitted".
|
While the additional thread length may have helped prolong the life of a new tensioner, this change did not stop thread failures from occurring. Thread failure might occur if there was too much tension applied (beyond travel limit of the internal spring), or if the locking nut was over-tightened.

Subsequently the factory proposed another method of fixing the tensioner, see Document SK 7237 above (click for larger image). This document is reproduced below in fresh readable form.

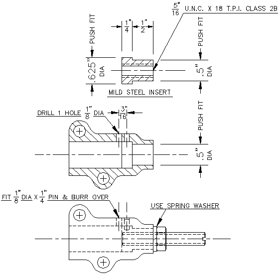
If the screw of the timing chain adjuster is over-tightened the threads may be stripped.
This can be prevented or repaired when stripped, by making up and fitting a steel insert as shown above illustration.
The housing should be machined and insert pressed in and locked with pin, always fit spring washer under nut.
M.G.A. TWIN CAM
ABINGDON-ON-THAMES, BERKS
|
SK 7237
|
|
With time, Twin Cam owners have devised their own various solutions. Perhaps the easiest is to simply install a stainless steel Heli-Coil to repair the thread in the aluminum housing. Without a Heli-Coil, some might drill and tap larger to install a 3/8-inch bolt in the aluminum housing. The ultimate effort would be to fabricate a new housing from steel.
Above all else do not over-tighten the adjuster. Clearance at "A" must never go to zero.
|
|
|
From the Workshop Manual, Section A.20:
TIMING CHAIN - ADJUSTING
The amount of free play in the timing chain is controlled by means of a manually operated chain tensioner.
Remove the oil fill cap at the front of the exhaust camshaft cover to gain access to the adjustment screw and lock nut. Release the lock nut and carefully turn the adjuster screw in the clockwise direction until a change in resistance is felt. Turn the screw back (anti-clockwise) three-quarters of a turn to obtain the required clearance of 1/32 in. (.80 mm).
On 1/18/2013, Dirk Van Ussel in Antwerp, BE wrote:
"With a large screwdriver and levering against the 3/4" cam bolt, you can move the tensioner up and down. It should move about 1.5- 2.0 mm. I always found the handbook too vague and inexact"! -- Dirk/Antwerp
On 8/27/2021, Dirk Van Ussel in Antwerp, BE wrote:
"I found a simpler way: The camshafts are provided with a hexagon to put a spanner on. By moving the exhaust cam left and right,the chain is put on tension and released. This enables you to feel the clearance of the tensioner's piston by putting your finger on. When You follow the instructions of the manual it is next to impossible to give the right tension as the screw can easily be overturned 1 full turn. -- Dirk
|