The MGA With An Attitude
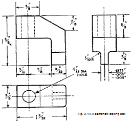
CAMSHAFT LOCKING KEYS, 18G551 - TC-302C

Camshaft locking tool in use
Refer first to the page showing the factory tool 18G551 and instructions in the Workshop Manual describing how to use these tools.
Original factory tools will be rather rare and expensive. Custom machine parts have also been rather expensive (whenever they might be avaiable for a short time). Now we may have some 3D printed parts that appear to be adequate for the job. And if they might be abused, it may break an inexpensive tool rather than breaking the flange of an expensive camshaft.

On 3/23/2019, Jim Harding wrote:
"I discussed the requirement with an old pal who has a 3D printer. Armed with dimensions from the workshop manual a 3D model was prepared and a pair of locks produced. I picked them up today and after a couple of run-throughs with a file I tried them on my spare cylinder head. A perfect fit, they seem robust enough for the task. I'll try them on the head/cams in the car hopefully tomorrow.
The 3D file is attached for anyone that can find someone local to them with a 3D printer. Alternatively my pal has said he can make some more for a modest fee. Let me know if anyone is interested.
Cheers all". -- Jim
MGA_camshaft_locking_tool_v2.step
This is a 3D printer drawing file, Generated by software containing ST-Developer from STEP Tools, Inc. (www.steptools.com). If you do not have sowtware to open this file, you can download the file and open it with a plain text editor.
Here's an easier solution for making your own Cam Lock Keys.
On 4/12/2022, Jim Gibson wrote:
"From the offcuts bin under the bench , ... Piece of 3/16" thick aluminium bar, 1" wide, 8" long, - these not critical. Give a 90 dgree twist towards one ('rear') end, drill hole to clear 5/16 diameter studs, 7" from 'front' end".
|