The MGA With An Attitude
DUNLOP DISC BRAKES FUNCTION - TC-207
Written by Mick Anderson in Australia
In the 1950's and 1960's these brakes were fitted to the MGA Twin Cam and Deluxe and some models of Ferrari, Jaguar, and Aston Martin cars.

Understanding the problem of binding Dunlop disc brakes first requires an understanding of how the running clearance between pad and disc (0.008" to 0.010") is maintained by the system. Maximum allowed disc run-out is 0.006". Note the pad minimum clearance is greater than the maximum allowed disc run-out. Even with zero disc run-out, the pad clearance must be as shown above. Disc run-out does not set pad clearance. It is assumed that the basic tests have been carried out and the pistons are not seized and a bleeder valve has been opened to test that the master cylinder is not incorrectly holding pressure (no master cylinder pushrod clearance).
In conventional drum brakes the hydraulic seal is tapered or "cupped" and as the brakes are applied, the piston, the seal, and the brake shoes move forward together. On release, the brake shoes are retracted by the return springs, and this also returns the piston and seal to their original positions. The Dunlop disc brake system operates entirely differently. In this early disc brake design two methods were concurrently used to set the pad clearance.
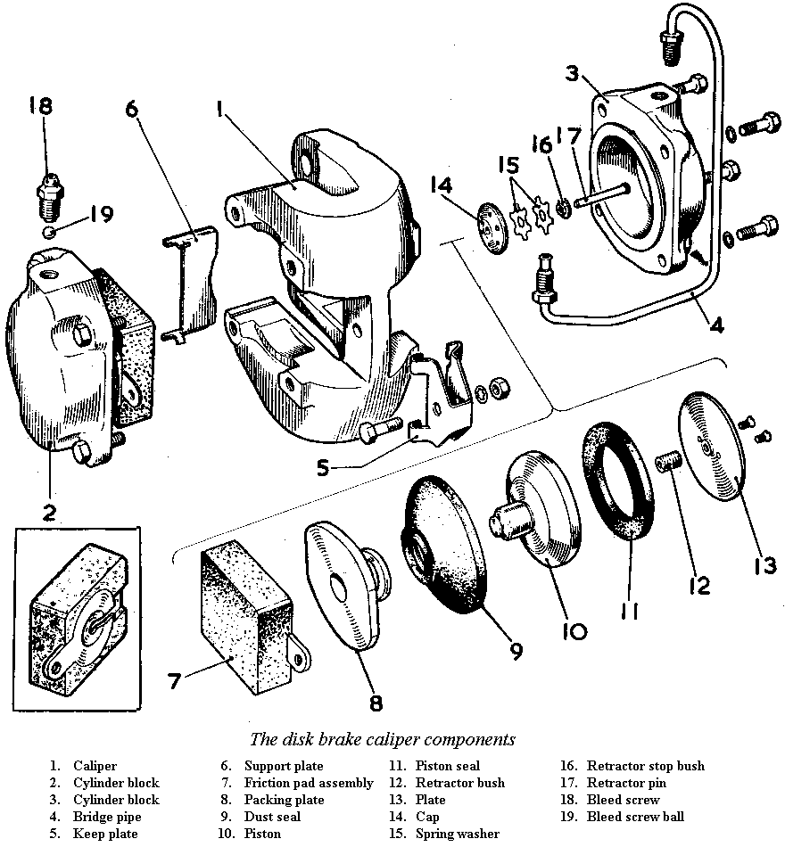
(1) The use of a retractor pin and a retractor bush.
(2) Deformation of the piston seal.
For the former system a circular cap was peened into the base of the caliper cylinder. Under the cap were two spring washers and a stop bush. A retractor pin passed through the centre of the bush, the washers, and the cap. The head of the pin could not fit through the assembly. The hydraulic piston was fitted with an end plate on the pressure side. Behind the end plate was a retractor bush. The retractor pin also passed through the end plate and the bush, into a recess in the piston. The bush was a tight fit on the pin. As the piston moved forward the plate moved the bush forward, and due to the tight fit on the retractor pin, the pin was also pulled forward. This compressed the spring washers. When the pressure was released the spring washers expanded and pulled the pin, the bush, the end plate, and the piston back to their original positions.
For the latter system, when the brakes are applied the piston moves forward but the rectangular cross section seal does not move on the cylinder bore surface. Instead it distorts in shape sufficiently to allow the pad to contact the disc. When the brakes are released the seal returns to its original shape, moving the pad and piston back by between 0.008" and 0.010". If the pads have worn and have more than 0.010" clearance, when the brakes are applied the seal distorts to allow the piston to move by 0.010" and then, unable to distort further, it also moves forward along the cylinder bore. As the piston moves forward this extra distance it draws the retractor bush along the retractor pin. On releasing the brakes the seal retracts the piston 0.010" as before, but the retractor bush stays fixed at its new position on the retractor pin. This new position of the retractor pin also applies to system (1). When fitting new pads, forcing the old ones back moves the piston and seal in the cylinder bore and the retractor bush back along the retractor pin.
Modern brakes do not have the retractor pin system. If the cap for the retractor pin becomes detached from the base of the brake cylinder no effect on the brakes is observed. The seal deformation alone is sufficient to set the clearance. The pin system was dropped in later designs. It was also used on the Lockheed brakes on the MGA 1600.
What can affect this operation?
Incorrect seals:
(a) An unsatisfactory material that does not have the correct deformation quality.
(b) The seal has the wrong type of cross section.
(c) The seal is not tight enough, or too tight, in the cylinder bore.
(d) The seals have hardened, through age and heat, reducing their flexibility.
The correct attachment to the piston (by peening or special lockwashers) of the plate retaining the pressure seal is critical to the operation of the brakes.
Joe at Sierra Specialty Auto has a nice YouTube video (49 minutes) on repairing Dulop/Girling caliper pistons. It gives pretty good insite with photos and notes on how this caliper works.
|