The MGA With An Attitude
MGAguru.com MGAguru.com
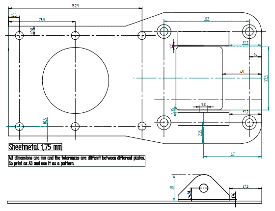
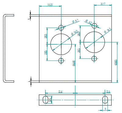
Master Cylinder Mounting Plates - MGA Twin Cam - TC-206B

The following drawings were supplied by Klaus Junker in Germany. (Click for larger PDF images). The first drawing is for the Twin Cam (and "Deluxe") master cylinder and pedal box front plate. This is the later style, beginning Twin Cam chassis no. 997 and for all "Deluxe" cars. Notice position of the brake master cylinder is lower than the clutch master cylinder. For Twin Cams before chassis no. 997 the mounts are both at the higher position. If you install this later style plate on the earlier cars you can delete the tapered shims (shown on previous page), but you would need to slot the holes in the box (see notes below). The second drawing is for the master cylinder and pedal mounting base plate, same for all Twin Cam and "Deluxe" cars.


The illustration below is from the Service Parts List. Notice that holes in the front of the box match holes in the front plate. Since the box is sandwiched between the master cylinder cast iron mounting flange and the front plate, it should be structurally suitable to slot the holes in the early production box downward 1/8" to be used in conjunction with the later model front plate (and no shims).

HomeBacknext
Thank you for your comments -- Send e-mail to <Barney Gaylord>
© 2010 Barney Gaylord -- Copyright and reprint information