| The MGA With An Attitude
MGA Twin Cam RUNNING GEAR Differences - TC-202
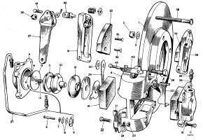
Special chassis refinements for the Twin Cam car included a change to Dunlop four wheel disc brakes, peg drive knock-off steel wheels, and separate master cylinders for brakes and clutch. Thus the mounting bracket for the master cylinders is different (as well as the pedals). The Twin Cam rear axle is similar to other MGA, same length as the wire wheel axle, but with end flanges at a slightly different rotational angle to accommodate the disk brakes. The hand brake cable and steel brake line fittings are also slightly different.
Twin Cam front suspension is similar to other MGA (except for the brakes), even having the same spring rate (for the period). The front coil springs are a little longer to compress a bit more to carry the greater weight of the Twin Cam engine, while retaining the same ride height all around. Spring pans and front a-arms were changed to accommodate the anti-roll bar about the same time as the change to the 1600 body style.
The Twin Cam uses tapered roller bearings in the front hubs vs the ball bearings of the standard chassis, still retaining a similar inner race tubular spacer but also using shims to adjust running clearance for the bearings. This design feature was ultimately repeated for the late MGB model.

The Twin Cam steering rack is a little farther forward to clear the extended crankshaft pulley, and also just a little lower. This required the rack input shaft to be an inch longer to retain the original length of the steering column. The rack lube fittings are positioned on the front and bottom, accessible from underneath the car. Repositioning the steering rack also (not coincidentally) improved the steering geometry and helped to reduce bump steer.
The Twin Cam model uses a different gearbox, similar to the one used in the MG ZB Magnette of the same period (see gearbox tech). This has a "square" bump in the top of the bellhousing for a high mounted clutch release lever, but it is not machined. The Twin Cam has the clutch release low on the right similar to other MGA, except the slave cylinder is different. Otherwise this gearbox is very similar to the unit used for very late production 1500 cars and all 1600 cars (and so far no one seems to have any explanation why the Magnette type gearbox was used for the Twin Cam). This gearbox also has a flanged output shaft, requiring use of a two piece propshaft with a sliding spline just aft of the front universal joint.
The Twin Cam has the high mounting position for the starter motor. This requires an accommodating bulge in the high right side of the gearbox tunnel at the front end, and cutout in the right side toe board. The higher starter position also requires a 3" increase in the length of the speedometer cable for LHD cars. Nine months later the same change would be incorporated into the pushrod engine cars with introduction of the 15GD engine and gearbox with high starter position. Note that this change did not affect the frame weldment, but only the shape of the front tunnel section, the separate sheet metal bulkhead plate, and the plywood toe board.
The basic gearbox and rear axle for the Twin Cam would generally contain the same gear ratios as the MGA 1500 and 1600 cars. But the Twin Cam model was often outfitted with a close ratio gear set, and sometimes various final drive ratio gearing on special order (or field retrofit). A different speedometer would be used commensurate with different final drive ratios (usually). Through all of MGA production there were at least 38 different speedometers used with various face markings and internal gear ratios, including MPH and KPH speed scales and Mile or Km odometers for various drive ratios, and they still came up at least one short. There was no suitable odometer ratio available for the 5.125:1 final drive ratio occasionally used on the Twin Cam for competition.
|