The MGA With An Attitude
ANDREX Friction Shock Absorbers Drawings - FS-125B
On 9/24/2023, Ola Hjørungdal wrote:
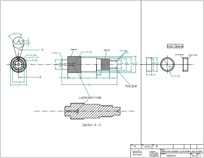
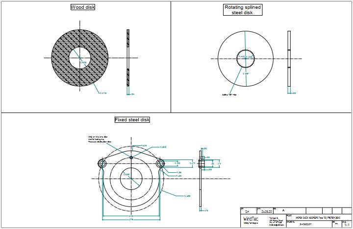
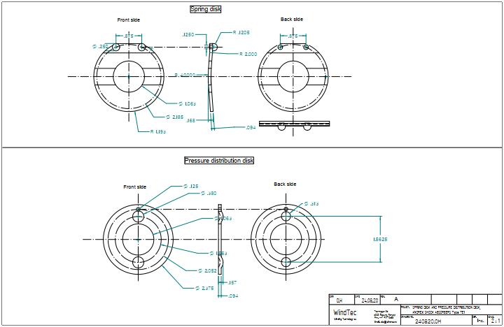
"I have had the fun of make some illustration and drawings of the Andrex shock absorbers. I am also working on repair/service manual for the Andrex". -- Ola
Click for larger printable PDF drawings.








|