The MGA With An Attitude
PLASTIC BUSHINGS for Steering Column - SR-206B
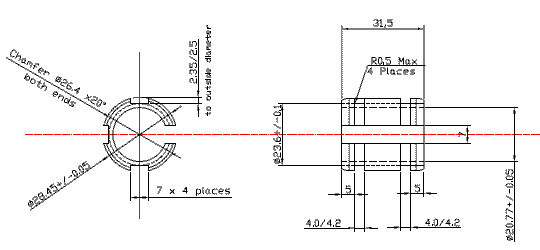
Folowing on from the previous page, John Francis in Oxfordshire, UK, started over and made his own drawings, then had some parts made on special order.


O-rings installed |

Lower bush going in |

Upper bush going in |
John Francis wrote:
"After some research decided to make them in homopolymer Acetal (Delrin) but not glass filled. The glass filled is very hard to get hold of and is expensive even though its stiffer and has a lower coefficient of expansion.
I have assembled my bushes into the column on the bench with O rings and they seem to work well but I have not tried them in the car. The lower bush is slightly looser in the column tube than I had planned but the O rings hold it in place and the shaft turns okay without any tightness. They assemble really easily. The slot in the bottom bush allows the bush to compress within the lip on the bottom of the tube and the O rings will pass through as well.
I had just two sets of bushes made which cost me £90. I know that at £45 a set this is quite expensive and a lot more than felt bushes but the price would be a bit less for a larger batch. I was going to wait till I had assembled them on the car before selling the second pair just to make sure they work OK".
Click for larger printable drawings. (27-KB pdf file)


On Septenber 5, 2012, John Francis wrote:
"They have been in the car for two years now and work well".
On July 08, 2013, Scott Thompson in Waterloo, Ontario, Canada wrote:
"I have a Makerbot Replacator 2 [3-D printer]. I just printed up the steering bushings documented at www.mgaguru.com/mgtech/steering/sr206b.htm".

|