The MGA With An Attitude
ADDING the TURN SIGNAL RELAY - TS-201A
Using 1500 type rear lights with a 1600 wiring harness.
This article is the compliment to the preceding article. This would be of interest to someone considering converting an MGA 1600 model to a 1500 model, where the primary difference in the electrical system is the brake light and turn signal wiring.
At 11:09 AM 6/13/06, Thomas B. Caine wrote:
"I bought this car on a trailer in parts. Was told it was a 1500 however the brakes and wiring harness seem to be 1600. Everything seems to work electrically except when I apply the turn signal all four blink at the same time I have running lights and brake lights. ..... It does not have a turn signal relay. Flasher only."
You obviously have a wiring mismatch. The 1500 (originally) has a turn signal relay for the purpose of switching a brake light bulb out of the brake circuit and into the turn signal circuit when the turn signal is activated. The 1600 model has an additional light bulb in back which is hard wired into the turn signal circuit separate from the brake lights, so the relay is not needed.
The 1500 has a single tail light fixture with a two-filament bulb for tail light and brake light. The high filament (brighter light) is used for both brake light and turn signal (by way of the relay unit). The 1600 has the identical rear fixture, used for tail light and brake light, but also has an additional smaller round lamp fixture above it (on a larger mounting plinth) which is used for the rear turn signal (and no relay).
The wiring harnesses are different. The 1500 has eight wires running to the turn signal relay, but these wires do not exist in the 1600 harness. The 1600 has one additional wire running to the rear of the car to operate the brake lights separately from the turn signals. On the 1500 the flasher unit output and the brake switch output go to the relay unit, the turn signal switch controls the relay, and the relay powers the four corner lamps. On the 1600 the flasher output goes to the turn signal switch which powers the corner lamps directly. and the brake lights workindependently.
Now the questions. Which body style do you have, or which body style do you intend to use for reassembly (which tail lights)? And which wiring harness do you currently have in the car?
For the 1500 circuits see here: http://mgaguru.com/mgtech/electric/circ_f2.htm
For the 1600 circuits see here: http://mgaguru.com/mgtech/electric/circ_f3.htm
If you have the 1500 type wiring harness, but intend to use the 1600 type rear lights without the relay, there is a way to convert the 1500 harness to work, with one additional wire added running to the rear. For that conversion information back up one page.
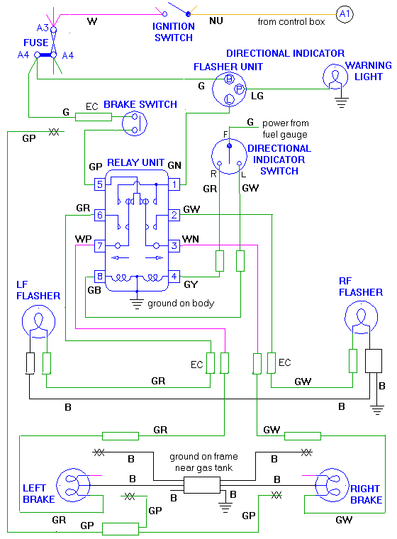
If you have the 1600 type wiring harness, but intend to use the 1500 style rear lights, you will have to install the turn signal relay and make some wiring changes. Review both 1500 and 1600 original circuits noted above, and then refer to the diagram below to install the relay with the 1600 harness.

You will need to procure a 1500 type turn signal relay. Or for about $10 you could build your own using a pair of miniature potted relays from Radio Shack. You will need to assemble a small supplementary wiring harness with eight new wires to connect the relay. You will also need a hand full of single socket snap connectors and bullet ends, which will make this modification non-destructive and reversible.
Start with the two 4-way snap connectors joining three GR and three RW wires near the starter switch. Pull out all the bullets, toss the 4-way connectors, and install six individual one-wire snap connectors on those wires.
Disconnect the GN wire from flasher unit and from direction switch. Also disconnect the GP wire from the brake switch.
At the rear lamps, connect the GR wire to the left lamp and the GW wire to the right lamp, both to be connected to the high filament (bright light for brakes and turn signals). The GP wires at the rear will remain disconnected, because you have no round lamps there.
Under the dash you will need to run a new green wire from the "B" terminal of the fuel gauge to the "F" terminal on the direction switch (to bring fused power to the switch).
I suggest that you mount the relay in the original position for a 1500 car (near the master cylinder), so it looks right and in case you may some day procure a new 1500 wiring harness.
Start construction of a new mini harness at the relay. Run seven of the wires to the vicinity of the starter switch, one long enough to reach the brake switch. The eighth wire will be short, going to the flasher unit. The color codes I used for the relay connections are the same as in the 1500 harness. The 1600 front and rear corner lamps on one side have the same color wires, so pay attention to which is front and which is rear.
That's all, an eight wire mini harness, six single snap connectors and bullet ends, and one new wire under the dash. This will be less work than installing a new wiring harness, and it has one of my favorite features, it's cheap.
|