The MGA With An Attitude
MAP POCKETS for MGA Coupe - CP-120
If you need to restore the map pockets on your MGA Coupe, or maybe even build new ones, this may be enough information to get you through the job. Thanks to John Progess for the pictures and dimensions.

Assembled map pocket is attached to the kick panel and sits perpendicular to the angled frame rail.

Bottom piece is attached to the shell with 5 rivets and to the kick panel with 3 staples.

The inside is covered with the same material used in the headliner. It is sewn to the outer material, and the sewn seam is inside the map pocket 11/16" down from the top.
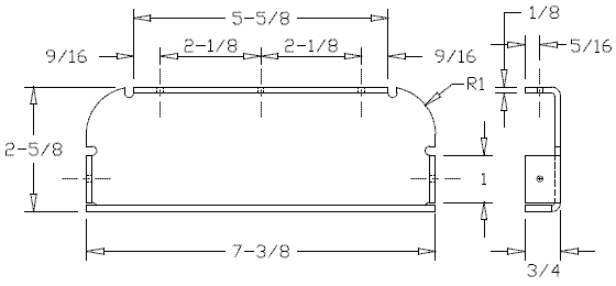
The two structural parts of the map pocket are made from 1/8" thick pressboard material, same as the kick panel. Drawings below give dimensions for fabrication and assembly.

Pocket is attached to kick panel with 6 rivets at the sides, and 3 staples at the bottom.

There is a subtle trick to get the tabs on the base folded so that there is no gap around the bottom corners of the pocket. Drill small holes so that the tables fold inside the line of the radiused corners.

Bottom plate

Outer shell

Alignment for assembly
Since the paste boards will be tricky to form by hand, I suggest you do all of the forming before drilling any of the holes for rivets.
On 2/4/2019, Mark Wellard in Australia wrote:
"I have made a former for the map pockets. Two pieces of 3x4 timber from an old crate fixed side by side with the corners rounded creates an excellent match to the original pocket dimensions. I used an old piece of plastic plumbing pipe for marking out the radius and a larger board as a base for clamping. After soaking the fiber board in water where bending was required, forming and clamping was straightforward. A dilute solution of PVA glue was then brushed on as a sealer before covering".

"All folds were done with some form of creasing machine that left a flat flange and a 45 ridge between the main piece. I found after remaking my pockets that I could reproduce this ridge by pressing the damp board into the brass door runner that had a groove. A piece of wire was clamped on top of the groove to give the folding point".
|